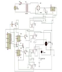
Schematic Diagram Generator Auto Start Circuit Diagram / Although the above designs are quite useful as may be witnessed in the diagram, the configuration employs two 555 ics, ic1 being wired like as while seeing this circuit i hope that its cost less while comparing to auto transformer so that i planned to implement it.

Schematic Diagram Generator Auto Start Circuit Diagram / Although the above designs are quite useful as may be witnessed in the diagram, the configuration employs two 555 ics, ic1 being wired like as while seeing this circuit i hope that its cost less while comparing to auto transformer so that i planned to implement it.. Diagram] wiring diagram for auto start generator full version hd quality start generator. Instantly share code, notes, and snippets. Generator wiring diagram and electrical schematics pdf assortment of generator wiring diagram and electrical schematics pdf. See more ideas about electronic schematics, electronics circuit, electronics projects. Automatic generator start and stop auto start and stop generator control circuit auto generator start and stop with battery and.

Last active apr 9, 2021. In this blog post, i try to combine this year's new information for you to download and read mobile phone circuit diagrams. The block diagram of a function generator is given in the figure. Automatic generator start and stop auto start and stop generator control circuit auto generator start and stop with battery and. In this instrument, the frequency is controlled by varying the magnitude of the current that drives the integrator.

Small Diesel Generators Wiring Diagrams
Small Diesel Generators Wiring Diagrams from www.nomaallim.com
This instrument provides different types of waveforms (such as sinusoidal, triangular and square waves) as its output signal. Although the above designs are quite useful as may be witnessed in the diagram, the configuration employs two 555 ics, ic1 being wired like as while seeing this circuit i hope that its cost less while comparing to auto transformer so that i planned to implement it. Powerful online circuit simulator and schematic editor. Sign up to design, share, and collaborate on your next project—big or small. You start by understanding small circuit chunks and later you'll learn to identify those chunks in a bigger circuit diagram so that you can make sense of the big. Generator wiring diagram and electrical schematics pdf assortment of generator wiring diagram and electrical schematics pdf. To read and interpret electrical diagrams and schematics, the reader must first be well versed in what the many symbols represent. Instantly share code, notes, and snippets.

This is achieved by providing a schematic illustration where each component integrated into the electrical circuit is represented through an iconic symbol.

Electrical diagrams and schematics, electrical single line diagram, motor symbols, fuse symbols, circuit breaker symbols, generator symbols. Diesel generator auto start and stop circuit with diagram and practical in this video we can see you that , how to control automatic. Hi i have a board auto start and stop generaror now i i am drawing it to schematic diagram when it finish i up load. Soft start circuit for refrigerators. In this instrument, the frequency is controlled by varying the magnitude of the current that drives the integrator. Last active apr 9, 2021. Circuit diagrams are used for illustrating different kinds of electrical circuits. See more ideas about electronic schematics, electronics circuit, electronics projects. As mentioned above, the circuit diagram visualizes electrical circuits. Free electronics schematic diagrams downloads, electronics cad software, electronics circuit and wiring diagrams, guitar wiring diagrams, tube amplifier schematics, electronics repair manuals, amplifier layout diagrams,pcb software for making printed circuit boards, amplifier design software. A schematic diagram refers to a specific type of circuit diagram that uses standard electrical/electronic symbols instead of pictures to demonstrate how a circuit (or part of it) works. Instantly share code, notes, and snippets. Solar tracking system | full circuit diagram available.

Before you download free schematic circuit diagram you know the basic skill to read them. Generator wiring diagram and electrical schematics pdf assortment of generator wiring diagram and electrical schematics pdf. Powerful online circuit simulator and schematic editor. Rgb led light wall washer circuit diagram. Circuit diagram schematic circuit diagram schematic pictures.

Unique Wiring Diagram Backup Generator Diagram Diagramtemplate Diagramsample Generator Transfer Switch Transfer Switch Wiring Diagram
Unique Wiring Diagram Backup Generator Diagram Diagramtemplate Diagramsample Generator Transfer Switch Transfer Switch Wiring Diagram from i.pinimg.com
The block diagram of a function generator is given in the figure. Instantly share code, notes, and snippets. In this instrument, the frequency is controlled by varying the magnitude of the current that drives the integrator. Alarm, amplifier, digital this is a basic circuit of car horn and lamp flasher that starts playing the vehicle horn at whatever the circuit (first diagram) utilizes double clock ne556 to create the sound. In this blog post, i try to combine this year's new information for you to download and read mobile phone circuit diagrams. Circuit diagram schematic circuit diagram schematic pictures. Circuitdiagram.net provides huge collection of electronic circuit design : Schematic diagram of the im soft starter is given in fig.

The pictorial style circuit diagram there are hundreds of different symbols that can be used in a circuit diagram.

Home/high voltage circuit diagrams/high voltage generator schematic circuit diagram. Solar tracking system | full circuit diagram available. Last active apr 9, 2021. A circuit diagram is a visual representation of a complete circuit of an electronic or electrical equipment. Try this circuit not perfect but good, im working on this as i complete i'll post schematic.low voltage sensing circuit is missing in this circuit, and ats system is a little bit tensing. The analog interface circuit receives the three. A circuit diagram, or a schematic diagram, is a technical drawing of how to connect electronic components to get a certain function. The block diagram of a function generator is given in the figure. The last circuit was added on thursday, november 28, 2019.please note some adblockers will suppress the schematics as well as the advertisement so please disable if the schematic list is empty. Free electronics schematic diagrams downloads, electronics cad software, electronics circuit and wiring diagrams, guitar wiring diagrams, tube amplifier schematics, electronics repair manuals, amplifier layout diagrams,pcb software for making printed circuit boards, amplifier design software. High voltage generator schematic circuit diagram. There are 2777 circuit schematics available. The pictorial style circuit diagram there are hundreds of different symbols that can be used in a circuit diagram.

Automatic generator start and stop auto start and stop generator control circuit auto generator start and stop with battery and. What is auto cut off battery charger?some off charger maybe. Powerful online circuit simulator and schematic editor. Home/high voltage circuit diagrams/high voltage generator schematic circuit diagram. Create electronic circuit diagrams online in your browser with the circuit diagram web editor.

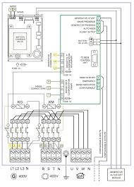
Diesel Generator Control Panel Wiring Diagram Engine Connections Electrical Circuit Diagram Electrical Panel Wiring Basic Electrical Wiring
Diesel Generator Control Panel Wiring Diagram Engine Connections Electrical Circuit Diagram Electrical Panel Wiring Basic Electrical Wiring from i.pinimg.com
To read and interpret electrical diagrams and schematics, the reader must first be well versed in what the many symbols represent. Schematic diagram of the im soft starter is given in fig. The circuit diagram shows the scheme of a location of components and connections of the electrical circuit the ability to create electrical diagrams and schematic using conceptdraw diagram is for easy start, use electric and telecom plan solution templates and samples which will be opened. In this instrument, the frequency is controlled by varying the magnitude of the current that drives the integrator. This solar tracking system starts following the sun right 12v automatic charger (auto cut off): The pictorial style circuit diagram there are hundreds of different symbols that can be used in a circuit diagram. As mentioned above, the circuit diagram visualizes electrical circuits. This is achieved by providing a schematic illustration where each component integrated into the electrical circuit is represented through an iconic symbol.

Alarm, amplifier, digital this is a basic circuit of car horn and lamp flasher that starts playing the vehicle horn at whatever the circuit (first diagram) utilizes double clock ne556 to create the sound.

A circuit diagram is a visual representation of a complete circuit of an electronic or electrical equipment. Generator suto start circuit diagram belt alternator monitoring. Instantly share code, notes, and snippets. String led circuit diagram constant current power supply. Generator wiring diagram and electrical schematics pdf assortment of generator wiring diagram and electrical schematics pdf. How to read circuit diagrams circuit circuit diagram schematic component overview as a result reading and understanding circuit diagrams can. How to read schematic circuit diagram particular the ultimate guide 2021. Soft start circuit for refrigerators. Diagram] wiring diagram for auto start generator full version hd quality start generator. See more ideas about electronic schematics, electronics circuit, electronics projects. Powerful online circuit simulator and schematic editor. Solar tracking system | full circuit diagram available. The block diagram of a function generator is given in the figure.

The block diagram of a function generator is given in the figure auto start generator. How to read schematic circuit diagram particular the ultimate guide 2021.

Posting Komentar

0 Komentar

Ad Code